KCB不銹鋼齒輪泵適用于輸送不含固體顆粒和纖維,或有腐蝕性的高溫液體, 溫度不高于120℃,粘度為5~1500cst的潤滑油或性質類似潤滑油的其他液體。
KCB不銹鋼齒輪泵在衛生條件要求較高的場合,如醫藥、食品行業:在有弱腐蝕性的場合,如精細化工、化妝品、印染、釀造行業。
結構特點:
KCB不銹鋼齒輪油泵由齒輪、軸、泵體、安全閥、軸端密封等零部件組成,齒輪經熱處理有較高的硬度和強度,與軸一同安裝在可更換的軸套內運轉。泵內全部零件的潤滑均在泵工作時利用輸送介質而自動達到。泵內有設計合理的泄油和回油槽,是齒輪在工作中承受的扭矩力小,因此軸承負荷小,磨損小,泵效率高。泵設有安全閥作為超載保護。安全閥的全回流壓力為泵額定派出壓力的1.5倍,也可在允許排出壓力范圍內根據實際需要另行調整。但注意本安全閥不能作減壓閥長期工作,需要是可在管路上另行安裝。
KCB不銹鋼齒輪泵選型小技巧
正確的選型是獲得使用效果的關健,為滿足介質不同物理、化學特性和運行要求,我們建議:用戶提出KCB不銹鋼齒輪泵運行數據,由我公司人員選型,由用戶確認。選泵時應注意以下幾點:
1、介質的潤滑性,清潔度、腐蝕性。
2、介質的粘度,溫度。
3、介質進、出口壓力,安裝高度。
4、使用場合的防爆要求。
5、安裝環境,臥式或立式、固定或移動、連接管路的特殊要求。
Ⅰ、KCB不銹鋼齒輪泵的潤滑是靠本身排送的液體進行的,(電動機的潤滑脂更換,視使用情況而定)。所以排送的液體必須清潔,若夾帶有細小沙塵或金屬粉末,對本泵的使用壽命有嚴重的影響,使用時注意此點。必要時在吸入管端裝置金屬濾油網,防止雜質吸入。濾油網以60-100目/時為宜,濾油網的有效過濾面積應大于吸油管截面積的兩倍。
Ⅱ、泵的安裝高度,不超過泵所允許的吸上高度,安裝管路應有管架、油泵不允許承受管路負荷。
Ⅲ、建議在吸、排油管路上分別安裝真空表和壓力表,以便監視泵的工作狀態。
Ⅳ、油泵未開動前的準備:
①.在油泵未開動之前應對泵各部進行仔細檢查。
A.檢查油泵的各螺母及底座上各螺栓是否緊固。
B.檢查油泵內的主動齒輪和被動齒輪的轉動是否靈活。
②.把吸油接管和排油接管的閥門打開。
③.檢查電動機的電源是否接對。油泵旋向是否與指示箭頭方向相同,即面向軸承,順鐘向旋轉。
Ⅴ、KCB不銹鋼齒輪泵工作時的維護:
①.注意油泵壓力表和真空表的讀數應符合技術規范。
②.注意軸封的工作狀態,倘若漏油,對填料密封結構的泵應將其壓緊蓋均勻擰緊,但不能過緊,以免發熱和密封圈的迅速磨損,漏油時應及時更換油封。
③.定時檢查油泵各部位發熱情況。
④.當發現油泵有不正常的噪音或發熱過高等故障時,應立即停止油泵工作,排除故障。
⑤.經常保持油泵工作場地清潔。
Ⅵ、油泵的停止:
①.切斷電動機電源。
②.關閉吸油接管和排油接管的閥。
用戶需何種型式的密封結構需在訂貨時注明。凡訂貨時未注明者均按丁晴膠骨架油封結構供貨。
、進、出油口型式:
KCB18.3-83.3齒輪油泵進、出油口為與口徑對應的帶管螺紋口的腰形法蘭;
KCB-200以上的不銹鋼齒輪泵的法蘭盤與泵體一于體;當用戶需要配帶法蘭時,應在訂貨中注明。
泵與電機用彈性聯軸器連接,并安裝在公共底盤上。
KCB齒輪油泵性能參數表
| 型號 | 流量 Q | 轉速 n r/min | 排出壓力 p Mpa | 必需汽 蝕余量 r m | 效率 η % | 電動機 | ||
| m3/h | L/min | 功率KW | 型號 | |||||
| KCB-18.3 | 1.1 | 18.3 | 1400 | 1.45 | 5 | 44 | 1.5 | Y90L-4 |
| 2CY-1.1/1.45 | ||||||||
| KCB-33.3 | 2 | 33.3 | 1420 | 1.45 | 5 | 44 | 2.2 | Y100L1-4 |
| 2CY-2/1.45 | ||||||||
| KCB-55 | 3.3 | 55 | 1400 | 0.33 | 7 | 41 | 1.5 | Y90L-4 |
| 2CY-3.3/0.33 | ||||||||
| KCB-83.3 | 5 | 83.3 | 1420 | 0.33 | 7 | 43 | 2.2 | Y100L1-4 |
| 2CY-5/0.33 | ||||||||
| KCB-135 | 8 | 135 | 940 | 0.33 | 5 | 46 | 2.2 | Y112M-6 |
| 2CY-8/0.33 | ||||||||
| KCB-200 | 12 | 200 | 1440 | 0.33 | 5 | 46 | 4 | Y112M-4 |
| 2CY-12/0.33 | ||||||||
| KCB-300 | 18 | 300 | 960 | 0.36 | 5 | 42 | 5.5 | Y132M2-6 |
| 2CY-18/0.36 | ||||||||
| KCB-483.3 | 29 | 483.3 | 1440 | 0.36 | 5.5 | 42 | 11 | Y160M-4 |
| 2CY-29/0.36 | ||||||||
| KCB-633 | 38 | 633 | 970 | 0.28 | 6 | 43 | 11 | Y160L-6 |
| 2CY-38/0.28 | ||||||||
| KCB-960 | 58 | 960 | 1470 | 0.28 | 6.5 | 43 | 18.5 | Y180M-4 |
| 2CY-58/0.28 | ||||||||
| KCB-1200 | 72 | 1200 | 740 | 0.6 | 7 | 43 | 37 | Y280S-8 |
| KCB-1600 | 95 | 1600 | 980 | 45 | Y280S-6 | |||
| KCB-1800 | 112 | 1800 | 740 | 0.6 | 7.5 | 43 | 55 | Y315S-8 |
| KCB-2500 | 150 | 2500 | 985 | 75 | Y315S-6 | |||
| KCB-2850 | 170 | 2850 | 740 | 0.6 | 8 | 44 | 90 | Y315L1-8 |
| KCB-3800 | 230 | 3800 | 989 | 110 | Y315L1-6 | |||
| KCB-4100 | 245 | 4100 | 743 | 0.6 | 8 | 44 | 132 | Y355M1-8 |
| KCB-5400 | 325 | 5400 | 989 | 160 | Y355M1-6 | |||
| KCB-5600 | 330 | 5600 | 744 | 0.6 | 8 | 44 | 160 | Y355M2-8 |
| KCB-7600 | 460 | 7600 | 989 | 200 | Y355M3-6 | |||
| KCB-7000 | 420 | 7000 | 744 | 0.6 | 8 | 44 | 185 | Y355L1-8 |
| KCB-9600 | 570 | 9600 | 989 | 250 | Y355L2-6 | |||

| 型號 | L | L1 | L2 | L3 | L4 | B | B1 | B2 | B3 | H | H1 | H2 | φD | G | 4-φd |
| KCB-18.3 | 217.5 | 35 | 80 | 115 | 16 | 192 | 150 | 120 | 66 | 136 | 90 | 69 | 20 | G3/4" | 16 |
| KCB-33.3 | 231 | 42.5 | 80 | 115 | 16 | 192 | 150 | 120 | 66 | 136 | 90 | 69 | 20 | G3/4" | 16 |
| KCB-55 | 246 | 50 | 80 | 115 | 16 | 192 | 150 | 120 | 66 | 136 | 90 | 69 | 20 | G1" | 16 |
| KCB-83.3 | 271 | 62 | 80 | 115 | 16 | 192 | 150 | 120 | 66 | 136 | 90 | 69 | 20 | G11/2" | 16 |
KCB-18.3~KCB-83.3外型、安裝尺寸及重量

| 型號 | L | L1 | L2 | L3 | L4 | L5 | H | H1 | H2 | H3 | H4 | B | B1 | B2 | B3 | B4 | A | G | 重量 Weight(kg) |
| KCB-18.3 | 566 | 391 | 239 | 86 | 75 | 86 | 230 | 176 | 130 | 109 | 40 | 259 | 225 | 190 | 155 | 192 | 52 | G3/4" | 62.15 |
| KCB-33.3 | 618 | 416 | 256 | 86 | 82 | 93 | 285 | 186 | 140 | 119 | 50 | 279 | 245 | 190 | 180 | 192 | 52 | G3/4" | 66.8 |
| KCB-55 | 595 | 391 | 239 | 86 | 89.5 | 100.5 | 230 | 176 | 130 | 109 | 40 | 259 | 225 | 190 | 155 | 192 | 70 | G1" | 64.15 |
| KCB-83.3 | 652 | 416 | 256 | 94 | 102 | 113 | 285 | 186 | 140 | 119 | 50 | 279 | 245 | 190 | 180 | 192 | 78 | G11/2" | 70.15 |

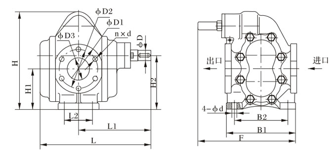
| 型號 | L | L1 | L2 | B1 | B2 | H | H1 | H2 | F | φD1 | φD2 | φD3 | n×d | φD | 4-φd |
| KCB-200 | 290 | 200 | 66 | 214 | 160 | 263.5 | 118 | 152.5 | 300 | 140 | 110 | 50 | 4-M12 | 28 | 13 |
| KCB-300 | 354 | 230 | 90 | 225 | 180 | 308 | 128 | 170 | 318 | 155 | 123 | 70 | 6-M14 | 32 | 16 |
| KCB-483.3 | 354 | 230 | 90 | 225 | 180 | 308 | 128 | 170 | 318 | 155 | 123 | 70 | 6-M14 | 32 | 16 |
| KCB-633 | 415 | 270 | 120 | 280 | 175 | 385 | 188 | 205 | 380 | 190 | 158 | 100 | 8-M14 | 38 | 18 |
| KCB-960 | 415 | 270 | 120 | 280 | 175 | 385 | 188 | 205 | 380 | 190 | 158 | 100 | 8-M14 | 38 | 18 |
上一篇:LCW不銹鋼羅茨油泵
下一篇:2CY不銹鋼齒輪泵